| 加藥計量泵頭部位材料 | 工作條件 |
| 計量泵頭:SUS304、SUS316 | 環(huán)境溫度:-15℃-常溫 |
| 計量閥: SUS304、SUS316 | 電機: 二相、三相標準電機或防爆電機 |
| 閥球: 二氧化硅、SUS304、SUS316、陶瓷、氧化鋯 | 功率:0.37KW 0.55KW |
| 密封: 聚四氟乙烯 | 防護等級:IP55 |
| 型號 | 流量(L/H) | 壓力(Mpa) | 柱塞直徑(mm) | 行程(mm) | 泵速(min-1) | 電機功率(kw) | 進出口徑(DN) | 重量(kg) |
| J-X 2.5/50 | 2.5 | 50 | 6 | 20 | 96 | 0.55 | 6 | 30 |
| J-X 2.5/38 | 2.5 | 38 | 0.37 | |||||
| J-X 4.2/32 | 4.2 | 32 | 8 | 0.55 | ||||
| J-X 4.2/21 | 4.2 | 21 | 0.37 | |||||
| J-X 8/20 | 8 | 20 | 10 | 0.55 | ||||
| J-X 8/13 | 8 | 13 | 0.37 | |||||
| J-X 12/14 | 12 | 14 | 12 | 0.55 | ||||
| J-X 12/9.0 | 12 | 9.0 | 0.37 | |||||
| J-X 20/7.6 | 20 | 7.6 | 16 | 0.55 | ||||
| J-X 20/5.4 | 20 | 5.4 | 0.37 | |||||
| J-X 32/5.0 | 32 | 5.0 | 20 | 0.55 | ||||
| J-X 32/3.5 | 32 | 4.0 | 0.37 | |||||
| J-X 40/3.2 | 40 | 3.2 | 0.55 | |||||
| J-X 50/3.2 | 50 | 3.2 | 25 | 0.55 | 10 | 34 | ||
| J-X 50/2.2 | 50 | 2.5 | 0.37 | |||||
| J-X 65/2.5 | 65 | 2.5 | 28 | 0.55 | ||||
| J-X 65/1.7 | 65 | 1.7 | 0.37 | |||||
| J-X 80/2.0 | 80 | 2.0 | 32 | 0.55 | ||||
| J-X 80/1.3 | 80 | 1.3 | 0.37 | |||||
| J-X 100/1.6 | 100 | 1.6 | 35 | 0.55 | 15 | 34 | ||
| J-X 100/1.0 | 100 | 1.0 | 0.37 | |||||
| J-X 125/1.6 | 125 | 1.6 | 38 | 0.55 | ||||
| J-X 125/0.8 | 125 | 0.8 | 0.37 | |||||
| J-X 150/1.3 | 150 | 1.3 | 42 | 0.55 | ||||
| J-X 160/1.3 | 160 | 1.3 | 0.55 | |||||
| J-X 200/1.0 | 200 | 1.0 | 0.55 |
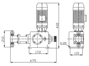
J-X系列柱塞計量泵安裝尺寸